569 427 754
(Po–Pá: 7–16 h)
CZ / Kč s DPH
Máte dotaz?
Poradna
Naposledy navštívené
Řetězové kolo SKF 10 B2 - 14 zubů VF kalené SN - PHS 10B-2BH14
Skladem 2 ks
ve středu 11. 2. u vás, zítra na 1 pobočce
324,89 Kč 268,50 Kčbez DPH
Řetězové kolo SKF 10 B2 - 16 zubů VF kalené SN - PHS 10B-2BH16
Skladem > 5 ks
ve středu 11. 2. u vás, zítra na 1 pobočce
355,01 Kč 293,40 Kčbez DPH
Řetězové kolo 10 B1 - 26 zubů VF kalené - disk bez náboje
Skladem 1 ks
ve středu 11. 2. u vás, zítra na 1 pobočce
422,87 Kč 349,48 Kčbez DPH
Váš košík je bohužel prázdný :-(
Váš košík je bohužel prázdný :-(
...není to trochu škoda?
Váš poptávkový košík je bohužel prázdný :-(
Váš poptávkový košík je bohužel prázdný :-(
...není to trochu škoda?

Řetězové kolo SKF 10 B2 - 14 zubů VF kalené SN - PHS 10B-2BH14

324,89 Kč
268,50 Kčbez DPH
Kód produktu
RK 10 B2-14Z VFK SKF
Výrobce
Rychlý nákup s vyzvednutím u nás
Mateza Brno
Není skladem
k vyzvednutí pozítří, od 07:15
Mateza Havlíčkův Brod
Skladem 2 ks
k vyzvednutí zítra, od 07:15
Mateza Jihlava
Není skladem
k vyzvednutí pozítří, od 07:45
4+ milióny kusů SKLADEM

připraveno ihned k odeslání

Zboží skladem zítra u vás

při objednávce do 12:00

30+ let zkušeností v oboru

poradíme s výběrem i dotazy

Osobní odběr a služby

na 3 pobočkách v Česku

Parametry
Parametry a specifikace
Výrobce / Značka
SKF
Počet zubů
14
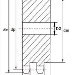
Roztečný průměr - Dp
71,34 mm
Šířka profilu - b
25,5 mm
Profil
10B-2 - 5/8" x 3/8" DUPLEX
Typ
S nábojem
Materiál
Ocel C45
Tepelné zpracování
Indukčně kalené zuby
Typ řetězového kola
Pro válečkové řetězy
Hmotnost
0,83 kg
Popis

Popis

PHS 10B-2BH14 je ocelové řetězové kolo SKF pro dvouřadý válečkový řetěz profilu 10B podle normy DIN 8187.

Provedení kola je s jednostranným nábojem, který má středovou technologickou díru D1=12 mm, přesný otvor pro montáž na hřídel je třeba obrobit dodatečně.

Kolo má 14 zubů, které jsou indukčně zakalené na tvrdost HRC 45 - 53.

Vnější průměr kola "přes zuby" je de=78,18 mm, šířka ozubení je B2=25,5 mm.

Materiál kola - ocel C45 (12050).

Ke stažení
Nevíte si rady?

Rádi vám poradíme s výběrem vhodného zboží i technickými dotazy.

Zdeněk Sedmík
Zdeněk Sedmík
Zákaznická linka
569 427 754
(Po–Pá, 7:00–16h)
99% na Heurece

zákazníků doporučuje podle dotazníku spokojenosti za poslednich 90 dní.

4,8% - spokojenost s obchodem

S obchodem jsem vždy spokojen. Kvalita zboží a rychlost dodání. Skvělá komunikace s obchodem. Prostě paráda, super.

Zboží v pondělí objednáno, v úterý dorazilo.