🚀 Rozšiřujeme tým! V Brně hledáme 2 nové kolegy. 
Podívejte se na otevřené pozice

569 427 754
(Po–Pá: 7–16 h)
CZ / Kč s DPH
Máte dotaz?
Poradna
Naposledy navštívené
Rukojeť ELESA+GANTER otočná dvoustupňová I.621/90+x-M10 (90x25)
Skladem > 10 ks
ve středu 1. 4. u vás, pozítří na 3 pobočkách
181,98 Kč 150,40 Kčbez DPH
VRL 6001-2ZR C5 tuk do 400 °C / do 500 ot/min Jednořadé kuličkové ložisko
Skladem > 50 ks
ve středu 1. 4. u vás, pozítří na 2 pobočkách
72,08 Kč 59,57 Kčbez DPH
Váš košík je bohužel prázdný :-(
Váš košík je bohužel prázdný :-(
...není to trochu škoda?
Váš poptávkový košík je bohužel prázdný :-(
Váš poptávkový košík je bohužel prázdný :-(
...není to trochu škoda?

Regulovatelná upínací páka ELESA+GANTER GN 300-92-B12-OS - oranžová

277,13 Kč
229,03 Kčbez DPH
Na poptávku
Kód produktu
OVL GN 300 B12
Výrobce
Toto zboží je na poptávku, nelze ho rezervovat!
4+ milióny kusů SKLADEM

připraveno ihned k odeslání

Zboží skladem zítra u vás

při objednávce do 12:00

30+ let zkušeností v oboru

poradíme s výběrem i dotazy

Osobní odběr a služby

na 3 pobočkách v Česku

Parametry
Parametry a specifikace
Výrobce / Značka
Elesa+Ganter
Typ ovládacího prvku
Upínací páky
Hmotnost
0,172 kg
Popis

Popis

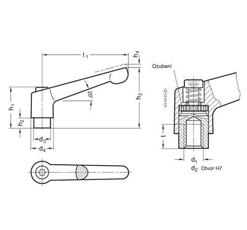
GN 300-92-B12-OS je nastavitelná upínací páka řady GN 300 se spojovacím otvorem d2 H7 12 mm a délkou páky 92 mm. Je vyrobena ze zinkové slitiny s povrchovou úpravo práškový lak v oranžové barvě RAL 2004 s texturou. Je možné dodat i v jiných barevných provedeních.

Regulovatelné páky GN 300 se používají všude tam, kde je zapotřebí upnutí strojní součásti ve stísněném prostoru nebo tam, kde je požadována konkrétní poloha páky. Středová vložka je spojena s pákou prostřednictvím ozubení, které lze snadno rozpojit. Zatažením za páku se rozpojí ozubení a umožní otočení páky do požadované upínací polohy. Po uvolnění páky se ozubení automaticky znovu spojí.

Nevíte si rady?

Rádi vám poradíme s výběrem vhodného zboží i technickými dotazy.

Zdeněk Sedmík
Zdeněk Sedmík
Zákaznická linka
569 427 754
(Po–Pá, 7:00–16h)
99% na Heurece

zákazníků doporučuje podle dotazníku spokojenosti za poslednich 90 dní.

4,8% - spokojenost s obchodem

S obchodem jsem vždy spokojen. Kvalita zboží a rychlost dodání. Skvělá komunikace s obchodem. Prostě paráda, super.

Zboží v pondělí objednáno, v úterý dorazilo.