🚀 Rozšiřujeme tým! V Brně hledáme 2 nové kolegy. 
Podívejte se na otevřené pozice

569 427 754
(Po–Pá: 7–16 h)
CZ / Kč s DPH
Máte dotaz?
Poradna
Naposledy navštívené
INA GIHNRK40-LO-B Kloubová hlavice
U dodavatele / 5-10 dní
3 500,83 Kč 2 893,25 Kčbez DPH
Hřídelová spojka PF 3BB12 PINFLEX RENOLD
12 804,17 Kč 10 581,96 Kčbez DPH
Ozubený řemen - metráž 20 5M PU ocel ALPHA Linear
Skladem > 10 m
v pondělí 23. 2. u vás, zítra na 2 pobočkách
465,49 Kč 384,70 Kčbez DPH
Váš košík je bohužel prázdný :-(
Váš košík je bohužel prázdný :-(
...není to trochu škoda?
Váš poptávkový košík je bohužel prázdný :-(
Váš poptávkový košík je bohužel prázdný :-(
...není to trochu škoda?

INA GIHNRK40-LO-B Kloubová hlavice

3 500,83 Kč
2 893,25 Kčbez DPH
U dodavatele / 5-10 dní
Kód produktu
GIHNRK 40-LO-B INA
Výrobce
Toto zboží nemáme aktuálně na skladě, nelze ho rezervovat!
4+ milióny kusů SKLADEM

připraveno ihned k odeslání

Zboží skladem zítra u vás

při objednávce do 12:00

30+ let zkušeností v oboru

poradíme s výběrem i dotazy

Osobní odběr a služby

na 3 pobočkách v Česku

Parametry
Parametry a specifikace
Výrobce / Značka
INA
Vnitřní průměr
40 mm
Šířka vnitřního kroužku
40 mm
Provedení vnitřního kroužku
Oboustranně rozšířený
Typ ložiska
Kloubové
Typ ložiska podle valivého tělesa
Kloubové
Provedení ložiska
Hlavice
Hmotnost
1,912 kg
Značka
INA
Popis

Popis

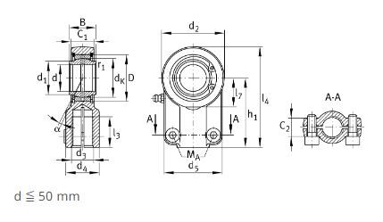
GIHNRK40-LO-B je hlavice s integrovaným kloubovým ložiskem s otvorem 40 mm, která se připojuje k souvisejícímu dílu prostřednictvím vnitřního pravého závitu M33x2 se svěrným spojením pomocí dvou šroubů.

Kloubové ložisko má oboustranně rozšířený vnitřní kroužek. Kontaktní plochy ložiska tvoří ocel/ocel, což přispívá k jeho zvýšené odolnosti proti opotřebení a k vysoké únosnosti. Ložisko vyžaduje pravidelnou údržbu a je nutné jej během provozu domazávat, aby se snížilo tření a zabránilo se zanášení nečistot a vzniku koroze. K tomu slouží kulová maznice na boku hlavice.

Kloubová ložiska GIHNRK se nejčastěji používají na hydraulických válcích a pístních tyčích, kde se dokáží přizpůsobit nesouosostem a přenášejí značné radiální síly ve směru tahu nebo tlaku.

Vlastnosti:

  • Snadné domazávání 
  • Vhodné pro velké, statické, střídavé nebo rázové zatížení 
  • Jednoduchá a snadná montáž 
  • Dělený dřík s upínacími šrouby 
  • Vhodné pro hydraulické válce
Ke stažení

Ke stažení

Příslušenství

V nabídce také

U dodavatele / 5-10 dní
5 518,08 Kč 4 560,40 Kčbez DPH
Nevíte si rady?

Rádi vám poradíme s výběrem vhodného zboží i technickými dotazy.

Zdeněk Sedmík
Zdeněk Sedmík
Zákaznická linka
569 427 754
(Po–Pá, 7:00–16h)
99% na Heurece

zákazníků doporučuje podle dotazníku spokojenosti za poslednich 90 dní.

4,8% - spokojenost s obchodem

S obchodem jsem vždy spokojen. Kvalita zboží a rychlost dodání. Skvělá komunikace s obchodem. Prostě paráda, super.

Zboží v pondělí objednáno, v úterý dorazilo.