Den otevřených dveří se blíží! 👀
29.5.2026 | Havlíčkův Brod

569 427 754
(Po–Pá: 7–16 h)
CZ / Kč s DPH
Máte dotaz?
Poradna
Naposledy navštívené
FAG NJ407-XL Válečkové ložisko
Skladem 2 ks
v úterý 26. 5. u vás, zítra na 1 pobočce
3 685,12 Kč 3 045,55 Kčbez DPH
INA BK0509-B Jednostranně uzavřené jehlové ložisko
Skladem > 10 ks
v úterý 26. 5. u vás, zítra na 2 pobočkách
75,50 Kč 62,40 Kčbez DPH
INA BK0810-B Jednostranně uzavřené jehlové ložisko
Skladem > 10 ks
v úterý 26. 5. u vás, zítra na 2 pobočkách
78,17 Kč 64,60 Kčbez DPH
Váš košík je bohužel prázdný :-(
Váš košík je bohužel prázdný :-(
...není to trochu škoda?
Váš poptávkový košík je bohužel prázdný :-(
Váš poptávkový košík je bohužel prázdný :-(
...není to trochu škoda?

FAG NJ407-XL Válečkové ložisko

3 685,12 Kč
3 045,55 Kčbez DPH
Kód produktu
NJ 407-XL FAG
Výrobce
Rychlý nákup s vyzvednutím u nás
Mateza Havlíčkův Brod
Skladem 2 ks
k vyzvednutí zítra, od 08:15
Mateza Jihlava
Není skladem
k vyzvednutí v úterý 26. 5., od 07:45
Mateza Brno
Není skladem
k vyzvednutí v úterý 26. 5., od 07:15
4+ milióny kusů SKLADEM

připraveno ihned k odeslání

Zboží skladem zítra u vás

při objednávce do 12:00

30+ let zkušeností v oboru

poradíme s výběrem i dotazy

Osobní odběr a služby

na 3 pobočkách v Česku

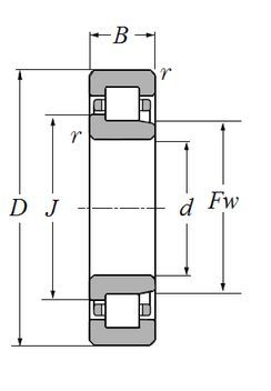
Parametry
Parametry a specifikace
Výrobce / Značka
FAG
Vnitřní průměr
35 mm
Vnější průměr
100 mm
Šířka
25 mm
Materiál klece
Ocel
Typ ložiska
Valivé
Počet řad valivých těles
Jednořadá
Typ ložiska podle valivého tělesa
Válečkové
Hmotnost
1,02 kg
Značka
FAG
Popis

Popis

NJ407-XL FAG je jednořadé válečkové ložisko s vnitřním průměrem 35 mm, s válečky umístěnými v ocelové kleci, nemá krytování.

Konstrukční provedení NJ má vnější kroužek ložiska s osazením po obou stranách, vnitřní kroužek má pouze jednostrannou přírubu. Ložiska NJ tak přenášejí značná radiální zatížení a dokáží zachytit i axiální síly v jednom směru. Důležitou funkcí je oddělitelné provedení, které umožňuje snadnou montáž a výměnu dílů ložiska. 

Vylepšená konstrukce ložisek XL (EXtra Life) umožňuje jejich vyšší únosnost a delší životnost. Ložiska generují méně tepla a dovolují pracovat i ve vyšších otáčkách. Ložiska X-life umožňují provoz s delšími intervaly údržby než mají běžná válečková ložiska. 

Válečková ložiska nacházejí své uplatnění nejčastěji v převodovkách, na zemědělských strojích, v čerpadlech, kompresorech a elektromotorech.

 Vlastnosti:

  • Pro velká radiální zatížení 
  • Nízké tření 
  • Dlouhá životnost 
  • Vedení hřídele axiálně v jednom směru 
  • Oddělitelné provedení
Nevíte si rady?

Rádi vám poradíme s výběrem vhodného zboží i technickými dotazy.

Zdeněk Sedmík
Zdeněk Sedmík
Zákaznická linka
569 427 754
(Po–Pá, 7:00–16h)
99% na Heurece

zákazníků doporučuje podle dotazníku spokojenosti za poslednich 90 dní.

4,8% - spokojenost s obchodem

S obchodem jsem vždy spokojen. Kvalita zboží a rychlost dodání. Skvělá komunikace s obchodem. Prostě paráda, super.

Zboží v pondělí objednáno, v úterý dorazilo.