🎄 Od 13.12. do 3.1. 2026 máme upravené otevírací doby na prodejnách. Více informací zde.

569 427 754
(Po–Pá: 7–16 h)
CZ / Kč s DPH
Máte dotaz?
Poradna
Naposledy navštívené
FAG 29280-E1-MB Axiální soudečkové ložisko
233 693,14 Kč 193 134,83 Kčbez DPH
SKF NU 209 ECJ/C3 Válečkové ložisko
1 739,74 Kč 1 437,80 Kčbez DPH
Řetězové kolo SKF 08 B1 - 32 zubů - 2012 Taper Lock
Skladem > 10 ks
ve čtvrtek 18. 12. u vás, dnes na 1 pobočce
514,01 Kč 424,80 Kčbez DPH
Váš košík je bohužel prázdný :-(
Váš košík je bohužel prázdný :-(
...není to trochu škoda?
Váš poptávkový košík je bohužel prázdný :-(
Váš poptávkový košík je bohužel prázdný :-(
...není to trochu škoda?

FAG 29280-E1-MB Axiální soudečkové ložisko

233 693,14 Kč
193 134,83 Kčbez DPH
U dodavatele / 5-10 dní
Kód produktu
29280 E1 MB FAG
Výrobce
Toto zboží nemáme aktuálně na skladě, nelze ho rezervovat!
4+ milióny kusů SKLADEM

připraveno ihned k odeslání

Zboží skladem zítra u vás

při objednávce do 12:00

30+ let zkušeností v oboru

poradíme s výběrem i dotazy

Osobní odběr a služby

na 3 pobočkách v Česku

Parametry
Parametry a specifikace
Výrobce / Značka
FAG
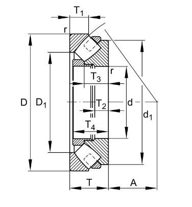
Vnitřní průměr
400 mm
Vnější průměr
540 mm
Výška
85 mm
Typ ložiska
Valivé
Typ ložiska podle valivého tělesa
Soudečkové
Směr zatěžující síly
Axiální
Hmotnost
52,48 kg
Značka
FAG
Popis

Popis

29280-E1-MB výrobce FAG je soudečkové axiální ložisko s vnitřním průměrem 400 mm. Ložisko má vylepšenou vnitřní konstrukci E1 se zvýšenou únosností a dvoudílnou masivní klec MB.

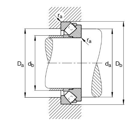
Tento typ ložisek dokáže přenášet současně vysoká radiální zatížení i extrémně vysoká axiální zatížení v jednom směru. Speciálně navržená oběžná dráha pojme velký počet asymetrických valivých těles - soudečků, které přenášejí zatížení z jedné oběžné dráhy na druhou. Děje se tak pod určitým úhlem vzhledem k ose ložiska, zatímco příruba na hřídelovém kroužku soudečky vede. 

Axiální soudečková ložiska mají ze všech axiálních ložisek nejvyšší únosnost. Kromě toho mohou dosahovat i relativně vysokých otáček. Umožňují kompaktní uspořádání a jsou samosvorná, což jim umožňuje zvládnout mírné nesouososti mezi kroužkem hřídele a kroužkem tělesa. Výchylky hřídele, chyby souososti a deformace pouzdra mohou být tak ložiskem do určité míry kompenzovány. 

Soudečková axiální ložiska se často montují společně se soudečkovými ložisky, aby se zvýšila axiální únosnost ložiskového uspořádání. Nejčastěji tato ložiska můžeme nalézt v aplikacích jako jsou např. turbíny, generátory, hydraulické lisy apod. 

Ke stažení

Ke stažení

Nevíte si rady?

Rádi vám poradíme s výběrem vhodného zboží i technickými dotazy.

Zdeněk Sedmík
Zdeněk Sedmík
Zákaznická linka
569 427 754
(Po–Pá, 7:00–16h)
99% na Heurece

zákazníků doporučuje podle dotazníku spokojenosti za poslednich 90 dní.

4,8% - spokojenost s obchodem

S obchodem jsem vždy spokojen. Kvalita zboží a rychlost dodání. Skvělá komunikace s obchodem. Prostě paráda, super.

Zboží v pondělí objednáno, v úterý dorazilo.