Den otevřených dveří se blíží! 👀
29.5.2026 | Havlíčkův Brod

569 427 754
(Po–Pá: 7–16 h)
CZ / Kč s DPH
Máte dotaz?
Poradna
Naposledy navštívené
Držák vodicí tyče MISUMI SHKPST20
2 499,74 Kč 2 065,90 Kčbez DPH
SKF RNA 6916 Jehlové ložisko
6 626,81 Kč 5 476,70 Kčbez DPH
Váš košík je bohužel prázdný :-(
Váš košík je bohužel prázdný :-(
...není to trochu škoda?
Váš poptávkový košík je bohužel prázdný :-(
Váš poptávkový košík je bohužel prázdný :-(
...není to trochu škoda?

Držák vodicí tyče MISUMI SHKPST20

2 499,74 Kč
2 065,90 Kčbez DPH
Na poptávku
Kód produktu
SHKPST 20 MISUMI
Výrobce
Toto zboží je na poptávku, nelze ho rezervovat!
4+ milióny kusů SKLADEM

připraveno ihned k odeslání

Zboží skladem zítra u vás

při objednávce do 12:00

30+ let zkušeností v oboru

poradíme s výběrem i dotazy

Osobní odběr a služby

na 3 pobočkách v Česku

Parametry
Parametry a specifikace
Výrobce / Značka
MISUMI
Typ lineární techniky
Příslušenství pro lineární techniku
Hmotnost
0 kg
Popis

Popis

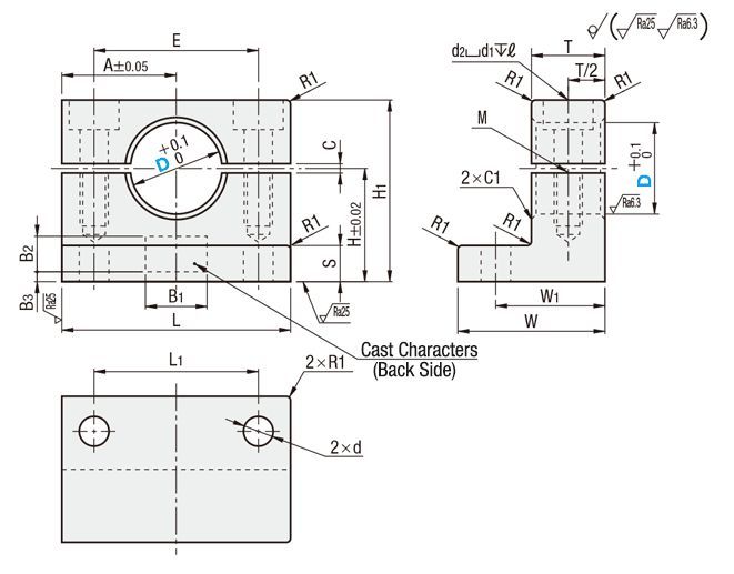
SHKPST 20 od společnosti MISUMI je dělený držák hřídele ve tvaru L, navržený pro upevnění a přesné polohování lineárních tyčí o průměru 20 mm v různých strojních a automatizačních aplikacích.

Držák SHKPST 20 je optimální pro upevnění lineárních vodicích tyčí v systémech lineárního pohybu, jako jsou např. posuvné mechanismy, CNC stroje nebo automatizované výrobní linky. Využití nachází především v aplikacích, kde je důležitá snadná montáž a demontáž hřídele pro údržbu nebo výměnu a v prostředích, kde je vyžadována vysoká odolnost proti korozi, například v potravinářském nebo chemickém průmyslu.

Vlastnosti:

  • Tvar L tvarovaný do pravého úhlu, vhodný pro montáž na boční stěny nebo základny
  • Dělený typ uchycení umožňuje snadnou instalaci a údržbu bez nutnosti demontáže celé hřídele
  • Materiál je nerezová ocel třídy 304 (SUS304), zajišťující vysokou odolnost proti korozi a dlouhou životnost
  • Výroba metodou přesného lití, poskytuje ekonomickou variantu při zachování přesnosti
  • Vhodné pro prostory s omezeným místem v příčném směru, kde je potřeba kompaktní a pevné uchycení hřídele
Ke stažení
Příslušenství

Kompatibilní lineární vedení

274,79 Kč 227,10 Kčbez DPH
Na poptávku
416,86 Kč 344,51 Kčbez DPH
Na poptávku
701,10 Kč 579,42 Kčbez DPH
Na poptávku
715,44 Kč 591,27 Kčbez DPH
Na poptávku
Nevíte si rady?

Rádi vám poradíme s výběrem vhodného zboží i technickými dotazy.

Zdeněk Sedmík
Zdeněk Sedmík
Zákaznická linka
569 427 754
(Po–Pá, 7:00–16h)
99% na Heurece

zákazníků doporučuje podle dotazníku spokojenosti za poslednich 90 dní.

4,8% - spokojenost s obchodem

S obchodem jsem vždy spokojen. Kvalita zboží a rychlost dodání. Skvělá komunikace s obchodem. Prostě paráda, super.

Zboží v pondělí objednáno, v úterý dorazilo.