569 427 754
(Po–Pá: 7–16 h)
CZ / Kč s DPH
Máte dotaz?
Poradna
Naposledy navštívené
SKF SY 20 TF/VA201 Ložisková jednotka
3 242,68 Kč 2 679,90 Kčbez DPH
INA KRV52-PP-A Snímací kladka
Skladem > 5 ks
ve středu 29. 10. u vás, zítra na 2 pobočkách
1 845,58 Kč 1 525,27 Kčbez DPH
INA KRE16-PP-A Snímací kladka
Skladem > 5 ks
ve středu 29. 10. u vás, zítra na 2 pobočkách
939,94 Kč 776,81 Kčbez DPH
Váš košík je bohužel prázdný :-(
Váš košík je bohužel prázdný :-(
...není to trochu škoda?
Váš poptávkový košík je bohužel prázdný :-(
Váš poptávkový košík je bohužel prázdný :-(
...není to trochu škoda?

SKF SY 20 TF/VA201 Ložisková jednotka

3 242,68 Kč
2 679,90 Kčbez DPH
U dodavatele / 5-10 dní
Kód produktu
SY 20 TF/VA201 SKF
Výrobce
Toto zboží nemáme aktuálně na skladě, nelze ho rezervovat!
4+ milióny kusů SKLADEM

připraveno ihned k odeslání

Zboží skladem zítra u vás

při objednávce do 12:00

30+ let zkušeností v oboru

poradíme s výběrem i dotazy

Osobní odběr a služby

na 3 pobočkách v Česku

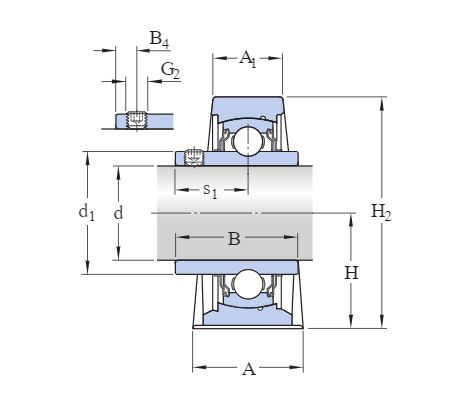
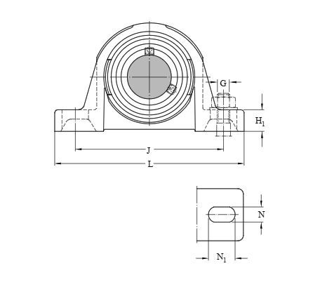
Parametry
Parametry a specifikace
Výrobce / Značka
SKF
Průměr hřídele
20 mm
Celková šířka
31 mm
Provedení ložiska
Jednořadé kuličkové
Typ tělesa
Ložiskové jednotky Y
Provedení tělesa
Stojaté
Hmotnost
0,575 kg
Značka
SKF
Popis

Popis

SY 20 TF/VA201 je litinová stojatá ložisková jednotka SKF s vkládacím kuličkovým ložiskem typu YAR 204-2F/VA201, které má oboustranně rozšířený vnitřní kroužek a je na hřídeli axiálně zajištěno pomocí stavěcího šroubu. Ložisko má speciální oboustranné kontaktní těsnění 2F a jeho konstrukce a speciální mazivo umožňuje jeho použití v prostředích se zvýšeným teplotním zatížením - až +250°C. Oproti standardním typům pracují tato vysokoteplotní ložiska při výrazně nižších otáčkách - mezní otáčky ložiska YAR 204-2F/VA201 jsou pouze 130 r/min.

Stojaté ložiskové jednotky kuličkových ložisek tvoří vkládací ložisko namontované v litinovém tělese, které lze přišroubovat k nosné ploše. Tato varianta je vhodná pro vysoké teploty, k použití jak u stálého, tak i střídavého směru otáčení. Má vnitřní kroužek rozšířený na obou stranách a je zajištěna na hřídeli dotažením stavěcího šroubu na vnitřním kroužku, díky čemuž je montáž snadná. 

Vlastnosti:

  • Pevná konstrukce
  • Pro vysoké teploty 
  • Určeno pro konstantní i střídavé otáčení 
  • Připraveno k montáži 
  • Promazané a utěsněné ložisko 
  • Rychlé upnutí na hřídel
Ke stažení

Ke stažení

Nevíte si rady?

Rádi vám poradíme s výběrem vhodného zboží i technickými dotazy.

Zdeněk Sedmík
Zdeněk Sedmík
Zákaznická linka
569 427 754
(Po–Pá, 7:00–16h)
99% na Heurece

zákazníků doporučuje podle dotazníku spokojenosti za poslednich 90 dní.

4,8% - spokojenost s obchodem

S obchodem jsem vždy spokojen. Kvalita zboží a rychlost dodání. Skvělá komunikace s obchodem. Prostě paráda, super.

Zboží v pondělí objednáno, v úterý dorazilo.