Den otevřených dveří se blíží! 👀
29.5.2026 | Havlíčkův Brod

569 427 754
(Po–Pá: 7–16 h)
CZ / Kč s DPH
Máte dotaz?
Poradna
Naposledy navštívené
SKF 7206 BEGBP Ložisko s kosoúhlým stykem
1 682,63 Kč 1 390,60 Kčbez DPH
Upínací pouzdro SIT-LOCK 1 - 280 x 355
12 998,18 Kč 10 742,30 Kčbez DPH
Váš košík je bohužel prázdný :-(
Váš košík je bohužel prázdný :-(
...není to trochu škoda?
Váš poptávkový košík je bohužel prázdný :-(
Váš poptávkový košík je bohužel prázdný :-(
...není to trochu škoda?

SKF 7206 BEGBP Ložisko s kosoúhlým stykem

1 682,63 Kč
1 390,60 Kčbez DPH
Na poptávku
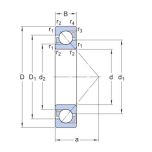
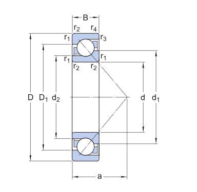
Jednořadé kuličkové ložisko s kosoúhlým stykem SKF 7206 BEGBP. Rozměry 30x62x16 mm, stykový úhel 40° a střední předpětí zaručují spolehlivý přenos axiálních i radiálních sil.
Kód produktu
7206 BEGBP SKF
Výrobce
Toto zboží je na poptávku, nelze ho rezervovat!
4+ milióny kusů SKLADEM

připraveno ihned k odeslání

Zboží skladem zítra u vás

při objednávce do 12:00

30+ let zkušeností v oboru

poradíme s výběrem i dotazy

Osobní odběr a služby

na 3 pobočkách v Česku

Parametry
Parametry a specifikace
Výrobce / Značka
SKF
Značka
SKF
Vnitřní průměr
30 mm
Vnější průměr
62 mm
Šířka
16 mm
Stykový úhel
40°
Předpětí
Střední
Druh těsnění
Není
Materiál klece
Polyamid
Materiál valivých tělísek
Ocel
Třída přesnosti
Normální
Typ ložiska
Valivé
Počet řad valivých těles
Jednořadá
Typ ložiska podle valivého tělesa
Kuličkové
Provedení ložiska
S kosoúhlým stykem
Hmotnost
0,188 kg
Popis

Popis

Jednořadé kuličkové ložisko SKF 7206 BEGBP s kosoúhlým stykem disponuje přesnými rozměry 30 × 62 × 16 mm. Je konstruováno speciálně pro přenos kombinovaných zátěží, kde na hřídel působí současně radiální i jednosměrné axiální síly.

Díky otevřenému provedení bez integrovaného těsnění se toto ložisko hodí především do uzavřených aplikací, kde je spolehlivě zajištěno externí mazání olejem či plastickým mazivem. Precizní výroba v normální třídě přesnosti garantuje, že váš stroj získá potřebnou stabilitu a spolehlivost chodu.

Technické přednosti a detaily

  • Stykový úhel 40°: Umožňuje bezpečně přenášet vysoké axiální zatížení v jednom směru a chrání uložení před předčasným opotřebením.
  • Střední předpětí: Znatelně zvyšuje celkovou tuhost uložení a efektivně snižuje úroveň vibrací během náročného provozu stroje.
  • Polyamidová klec: Nabízí výborné kluzné vlastnosti, snižuje vnitřní tření a přispívá k tiššímu chodu valivých tělísek.

Při montáži tohoto ložiska vždy pečlivě dbejte na správnou orientaci vůči působící axiální síle. Pro dosažení maximální životnosti vám doporučujeme chránit montážní prostor před vniknutím nečistot a dodržovat doporučené intervaly domazávání.

Ke stažení

Ke stažení

Nevíte si rady?

Rádi vám poradíme s výběrem vhodného zboží i technickými dotazy.

Zdeněk Sedmík
Zdeněk Sedmík
Zákaznická linka
569 427 754
(Po–Pá, 7:00–16h)
99% na Heurece

zákazníků doporučuje podle dotazníku spokojenosti za poslednich 90 dní.

4,8% - spokojenost s obchodem

S obchodem jsem vždy spokojen. Kvalita zboží a rychlost dodání. Skvělá komunikace s obchodem. Prostě paráda, super.

Zboží v pondělí objednáno, v úterý dorazilo.