⚡ Ve dnech 21., 22. a 30. ledna je provoz v Havlíčkově Brodě ovlivněn odstávkou elektřiny.
🏪 Prodej a výdej zboží funguje bez omezení. Zakázková výroba v těchto dnech není možná.

569 427 754
(Po–Pá: 7–16 h)
CZ / Kč s DPH
Máte dotaz?
Poradna
Naposledy navštívené
SKF 608-2RSH/C3WT Jednořadé kuličkové ložisko
266,93 Kč 220,60 Kčbez DPH
SKF 608-2ZTN9/LT Jednořadé kuličkové ložisko
158,27 Kč 130,80 Kčbez DPH
Váš košík je bohužel prázdný :-(
Váš košík je bohužel prázdný :-(
...není to trochu škoda?
Váš poptávkový košík je bohužel prázdný :-(
Váš poptávkový košík je bohužel prázdný :-(
...není to trochu škoda?

SKF 608-2RSH/C3WT Jednořadé kuličkové ložisko

266,93 Kč
220,60 Kčbez DPH
U dodavatele / 5-10 dní
Kód produktu
608-2RS/C3WT SKF
Výrobce
Toto zboží nemáme aktuálně na skladě, nelze ho rezervovat!
4+ milióny kusů SKLADEM

připraveno ihned k odeslání

Zboží skladem zítra u vás

při objednávce do 12:00

30+ let zkušeností v oboru

poradíme s výběrem i dotazy

Osobní odběr a služby

na 3 pobočkách v Česku

Parametry
Parametry a specifikace
Výrobce / Značka
SKF
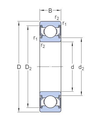
Vnitřní průměr
8 mm
Vnější průměr
22 mm
Šířka
7 mm
Radiální vůle
C3 - Větší než normální
Druh těsnění
2RS - Oboustranné kontaktní pryžové těsnění NBR vyztužené plechem
Materiál klece
Ocel
Provedení vnitřního kroužku
Válcový otvor
Provedení vnějšího kroužku
Válcový povrch
Třída přesnosti
Normální
Typ ložiska
Valivé
Počet řad valivých těles
Jednořadá
Typ ložiska podle valivého tělesa
Kuličkové
Hmotnost
0,0117 kg
Značka
SKF
Popis

Popis

608-2RSH/C3WT je miniaturní jednořadé kuličkové ložisko SKF, s rozměry 8 x 22 x 7 mm. Ložisko má oboustranné kontaktní pryžové těsnění 2RSH, zvětšenou radiální vůli C3 a náplň speciálním širokopásmovým mazivem WT, které zajišťuje spolehlivý chod ložiska v rozsahu teplot -40°C až 160°C.

Jednořadá kuličková ložiska jsou zvláště všestranná, dosahují nízkého tření a jsou optimalizována pro nízký hluk a nízké vibrace, což umožňuje jejich použití i při vysokých otáčkách. Umí se přizpůsobit radiálnímu i axiálnímu zatížení v obou směrech, snadno se montují a vyžadují méně údržby než ostatní typy ložisek. Integrované těsnění může značnou měrou prodloužit životnost ložiska, protože udržuje mazivo v ložisku a chrání jej před znečištěním.

Vlastnosti:

  • Integrované těsnění prodlužuje životnost ložiska 
  • Jednoduché, všestranné a robustní provedení 
  • Nízké tření 
  • Schopnost pracovat v širokém rozsahu teplot
  • Vhodné i pro vysoké rychlosti 
  • Přizpůsobí se radiálnímu a axiálnímu zatížení v obou směrech 
  • Vyžaduje jen minimální údržbu
Nevíte si rady?

Rádi vám poradíme s výběrem vhodného zboží i technickými dotazy.

Zdeněk Sedmík
Zdeněk Sedmík
Zákaznická linka
569 427 754
(Po–Pá, 7:00–16h)
99% na Heurece

zákazníků doporučuje podle dotazníku spokojenosti za poslednich 90 dní.

4,8% - spokojenost s obchodem

S obchodem jsem vždy spokojen. Kvalita zboží a rychlost dodání. Skvělá komunikace s obchodem. Prostě paráda, super.

Zboží v pondělí objednáno, v úterý dorazilo.