569 427 754
(Po–Pá: 7–16 h)
CZ / Kč s DPH
Máte dotaz?
Poradna
Naposledy navštívené
FAG 4216-B-TVH Dvouřadé kuličkové ložisko
4 883,55 Kč 4 035,99 Kčbez DPH
O-kroužek DICHTOMATIK EPDM 70 - 20.29 x 2.62
Skladem > 50 ks
pozítří u vás, zítra na 3 pobočkách
2,90 Kč 2,40 Kčbez DPH
ZKL 23040EKW33MH C3 NF Soudečkové ložisko
Skladem 1 ks
pozítří u vás, zítra na 1 pobočce
13 722,37 Kč 11 340,80 Kčbez DPH
Váš košík je bohužel prázdný :-(
Váš košík je bohužel prázdný :-(
...není to trochu škoda?
Váš poptávkový košík je bohužel prázdný :-(
Váš poptávkový košík je bohužel prázdný :-(
...není to trochu škoda?

FAG 4216-B-TVH Dvouřadé kuličkové ložisko

4 883,55 Kč
4 035,99 Kčbez DPH
U dodavatele / 5-10 dní
Kód produktu
4216-B-TVH FAG
Výrobce
Toto zboží nemáme aktuálně na skladě, nelze ho rezervovat!
4+ milióny kusů SKLADEM

připraveno ihned k odeslání

Zboží skladem zítra u vás

při objednávce do 12:00

30+ let zkušeností v oboru

poradíme s výběrem i dotazy

Osobní odběr a služby

na 3 pobočkách v Česku

Parametry
Parametry a specifikace
Výrobce / Značka
FAG
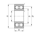
Vnitřní průměr
80 mm
Vnější průměr
140 mm
Šířka
33 mm
Radiální vůle
Normální
Materiál klece
Polyamid
Typ ložiska
Valivé
Počet řad valivých těles
Dvouřadá
Typ ložiska podle valivého tělesa
Kuličkové
Hmotnost
1,98 kg
Značka
FAG
Popis

Popis

FAG 4216-B-TVH je dvouřadé kuličkové ložisko s vnitřním průměrem 80 mm a s polyamidovou kleci, zesílenou skelnými vlákny.
Dvouřadá kuličková ložiska svou konstrukcí a použitím odpovídají páru jednořadých kuličkových ložisek. Jsou vysoce odolná a vyžadují minimum údržby. Umí pracovat při vysokých rychlostech a přizpůsobí se radiálnímu i axiálnímu zatížení v obou směrech. Jsou mírně širší než jednořadá ložiska se stejnou dírou a vnějším průměrem, ale mají značně vyšší únosnost.

Vlastnosti:

  • Všestranné a robustní provedení
  • Pro vysoké rychlosti
  • Přizpůsobí se vysokému axiálnímu a radiálnímu zatížení v obou směrech
  • Vyžaduje jen malou údržbu
Ke stažení

Ke stažení

Nevíte si rady?

Rádi vám poradíme s výběrem vhodného zboží i technickými dotazy.

Zdeněk Sedmík
Zdeněk Sedmík
Zákaznická linka
569 427 754
(Po–Pá, 7:00–16h)
99% na Heurece

zákazníků doporučuje podle dotazníku spokojenosti za poslednich 90 dní.

4,8% - spokojenost s obchodem

S obchodem jsem vždy spokojen. Kvalita zboží a rychlost dodání. Skvělá komunikace s obchodem. Prostě paráda, super.

Zboží v pondělí objednáno, v úterý dorazilo.